SlimFort gevelisolatie
Duurzame gevelisolatie voor droge gevelbekleding
SlimFort gevelisolatie is een gepatenteerd gevelisolatiesysteem met hoogwaardige en duurzame EPS-isolatie. Deze innovatieve gevelisolatie heeft geïntegreerde metalen beugels voor het houten of aluminium raamwerk. Hierdoor creëer je een doorlopende isolatielaag. Dit voorkomt niet alleen koudebruggen, maar maakt de totale gevelopbouw ook een stuk dunner. Het SlimFort gevelisolatiesysteem is dankzij een uniek kliksysteem gemakkelijk en snel door één isolatiespecialist te plaatsen, inclusief het stelwerk. Voor de afwerking rondom ramen, deuren, hoeken en het dak verplaats je simpelweg de beugel en zaag je de isolatieplaat op maat. SlimFort gevelisolatie levert een uitstekende isolatie, is supersnel verwerkbaar en veel voordeliger, vooral in tijd.
NIEUW: Op brandveiligheid geteste gevelcombinaties.
- De beste isolatie
- Het snelst verwerkbaar
- Veel voordeliger
- Door Efectis op brandveiligheid geteste en beoordeelde combinaties
- Door Nieman uitgewerkte WBDBO principedetails
In recordtempo de beste kwaliteit + de grootste besparingen
Nieuwsgierig hoe het moet? Bekijk de video en ontdek hoe je een gevel in 3 simpele stappen hoogwaardig isoleert met SlimFort gevelisolatie.
Kijk voor meer informatie over de verwerking de menubalk 'Verwerking'.
Een optimale gevelisolatie met SlimFort
SlimFort biedt duurzame gevelisolatie van de hoogste kwaliteit. De belangrijkste voordelen van SlimFort gevelisolatie op een rij:
- Geen koudebruggen door doorlopende isolatielaag.
- Duurzame SlimFort isolatieplaten met hoogwaardige EPSHR-isolatie.
- Unieke klikverbinding om de isolatieplaten perfect op elkaar aan te sluiten.
- Dunnere gevelopbouw door aaneengesloten isolatielaag.
- Af te werken met alle soorten gevelbekleding.
- Langere levensduur van de voorzetgevel door optimale ventilatie.
- Sluit perfect aan op de achterconstructie van de gevel, zonder valse luchtspouw.
- Toepasbaar bij open gevelsystemen i.c.m. fischer SmartLight.
- Geen schadelijke vezels, dus geen gezondheidsrisico voor bewoners en verwerkers.
Traditionele gevel (In tegenstelling tot SlimFort gevelisolatie, wordt traditionele gevelisolatie onderbroken met houten balken)
|
|
Gevel met SlimFort gevelisolatie (een aaneengesloten isolatieschild zonder koudebruggen)
|
|
Een gemakkelijk en snel verwerkbaar gevelisolatiesysteem
SlimFort gevelisolatie is dankzij het gepatenteerde systeem makkelijk horizontaal en verticaal op de buitenmuur te plaatsen. Eén persoon kan de klus klaren. Werkvoorbereiding is nauwelijks nodig. De voordelen op een rij:
- De beugels in de isolatieplaten vormen direct de basis voor het houten of aluminium raamwerk
- Dankzij de uitgekiende samenstelling van de beugels wordt het stelwerk kinderlijk eenvoudig.
- Het gevelisolatiesysteem is aan te brengen met standaard bevestigingsmaterialen, verkrijgbaar bij elke bouwmaterialenhandel.
- Verwerkbaar door één persoon en zonder beschermingsmiddelen.
- Een uniek 'pre-engineerd' aluminium geveldraagsysteem.
Veel voordeliger dan andere systemen
SlimFort gevelisolatie is niet alleen duurzaam en eenvoudig aan te brengen, het is ook goedkoper dan isoleren met andere isolatiematerialen:
- Aanzienlijke materiaalbesparing ten opzichte van andere isolatiemethoden (gebaseerd op berekeningen conform NEN 1068-2001).
- Tot wel 75% minder hout nodig.
- Minder verwerkingskosten door een tijdsbesparing tot wel 50%.
- Folie is volledig overbodig bij SlimFort gevelisolatie.
Met de SlimFort rekentool kun je de kosten van een SlimFort gevelsysteem vergelijken met alternatieve systemen.
Het verschil tussen SlimFort gevelisolatie en andere methoden
Met SlimFort gevelisolatie bieden wij 6 zekerheden. Welke? Dat laten we je graag zien in onderstaande video.
De verschillen tussen isoleren met SlimFort gevelisolatie en alternatieve isolatiemethoden in beeld:
| Tijd en aantal schroeven bij isolatie tussen houten regels |
Tijd en aantal schroeven bij isolatie+regelwerk op afstandschroeven |
Tijd en aantal schroeven bij SlimFort gevelisolatie |
|
|
|
| Koudebruggen bij isolatie tussen houten regels | Koudebruggen bij isolatie+regelwerk op afstandschroeven | Geen koudebruggen bij SlimFort gevelisolatie |
|
|
|
Handige rekentool voor overzichtelijke materiaallijsten en heldere kostenvergelijkingen
BEWI IsoBouw heeft een rekentool ontwikkeld waarmee je aan de hand van jouw projectgegevens snel en eenvoudig de benodigde materialen bepaalt. Daarnaast geeft de rekenhulp inzicht in de kosten voor SlimFort in vergelijking tot andere systemen.
Vrijwel onbeperkte esthetische afwerkingsmogelijkheden
SlimFort gevelisolatie is af te werken met vrijwel alle soorten esthetische gevelbekleding: van vezelcementplaten tot tegels, van pannen tot steenstrips.
Om je snel inzicht te geven in de prestaties van jouw gevel hebben wij SlimFort door Efectis laten testen en beoordelen in combinatie met de meest toegepaste gevelbekledingen. Naast de bekende plaatmaterialen is dat nu ook met open en gesloten houtprofielen in vele houtsoorten. De beoordeelde systemen worden in deze brochure weergegeven.
| Afwerking met vezelcementplaten | Afwerking met aluminium composietplaten | Afgewerkt met geperste minerale wol platen |
|
|
|
| Afwerking met pannen | Afwerking met tegels | Afwerking met steenstrips |
|
|
|
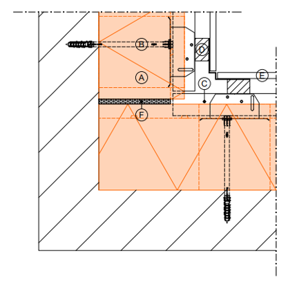
Productsamenstelling SlimFort gevelisolatie
Hieronder zie je welke elementen het SlimFort gevelisolatiesysteem uniek maken.
| A: EPSHR -SE met extreem hoog isolerend vermogen | B: Geïntegreerde metalen beugels voor het bevestigen van het regelwerk |
|
|
| C: Oranje EPS in hoge densiteit voor extra druksterkte en trekkracht | D: Rondom een grote messing/groef klikverbinding |
|
|
Constructieve veiligheid SlimFort gevelisolatie
Voor een lange levensduur van de gevelbekleding is een goede achterliggende ventilatie essentieel. Met SlimFort gevelisolatie is de constructie altijd automatisch optimaal geventileerd. De gepatenteerde verwerkingstechniek met de metalen beugels laat geen ruimte voor verwerkingsfouten. SlimFort isolatieplaten zijn hard, vormvast en ongevoelig voor vocht. SlimFort zakt daardoor niet uit en biedt zo een langdurige, duurzame isolerende werking. Het systeem is uitvoerig getest met bevestigingsmaterialen van fischer. Lees daar alles over in het fischer adviesblad.
SlimFort sluit perfect aan op de achterconstructie
De achterzijde van de SlimFort isolatieplaten is niet vlak, maar licht uitgehold. Bij het bevestigen van de platen, worden deze strak tegen de muur getrokken. Hierdoor ontstaan er per plaat kleine afgesloten compartimenten. Zo wordt een valse luchtspouw voorkomen.
Circulair isoleren met SlimFort
SlimFort bestaat voor 98% uit lucht en kan hergebruikt en/of volledig gerecycled worden. De bevestigingsmethodiek heeft naast een praktisch voordeel ook een circulair voordeel. Zodra de gevelbekleding aan vervanging toe is, kan de bestaande SlimFort-gevelschil gehandhaafd blijven. In de beugels kan eenvoudig een nieuwe houten draagstructuur geplaatst worden voor de nieuwe gevelbekleding.
Mocht het noodzakelijk zijn om de gevel volledig te slopen, dan kunnen de SlimFort-isolatieplaten losgeschroefd worden en bij een ander project weer opnieuw ingezet worden. EPS verliest namelijk nooit haar initieel isolerend vermogen.
Recyclen van de SlimFort-isolatieplaten is gezien de mogelijkheden voor hergebruik een niet voor de hand liggende optie. Mocht dit toch noodzakelijk zijn, dan is dit geen enkel probleem. Na verwijdering van de beugels kunnen de EPS-platen volledig gerecycled worden en als grondstof dienen voor nieuwe hoogwaardige EPS-producten. Zo blijft de kringloop altijd gesloten.
Brandveiligheid
GETESTE GEVELCOMBINATIES
Brandveiligheid van gevels is een belangrijk aandachtspunt en terecht, want veiligheid verdient altijd prioriteit. Toch ontbreekt het bij samengestelde gevels vaak aan transparantie als het gaat om aantoonbare prestaties. Dat leidt in de praktijk tot veel uitzoekwerk.
Om je hierin snel en helder inzicht te geven, hebben we SlimFort, samen met diverse toonaangevende leveranciers van gevelbekleding, laten beoordelen door Efectis. Daarbij is gekeken naar combinaties met de meest toegepaste gevelmaterialen. Waaronder open én gesloten houtprofielen in uiteenlopende houtsoorten, naast de bekende plaatmaterialen.
DETAILLERINGSOPLOSSINGEN WBDBO
Samen met de brandveiligheidsexperts van Nieman heeft BEWI IsoBouw een reeks principedetails uitgewerkt die voldoen aan de wettelijke prestatie-eisen uit het BBL, specifiek gericht op de branddoorslag en brandoverslag tussen twee brandcompartimenten. Deze eisen gelden voor elke gevelopbouw en zijn dus breed toepasbaar. De door BEWI IsoBouw aangedragen detailoplossingen zijn vanzelfsprekend afgestemd op toepassingen met SlimFort.
Daarnaast heeft BEWI IsoBouw in samenwerking met brandveiligheidsexperts van Nieman een overzichtelijk adviesblad samengesteld met betrekking tot de brandveiligheidseisen van (geventileerde) gevels. Het adviesblad bevat heldere stroomschema’s voor het bepalen van de wettelijk vereiste brandklasse van een gevel. Voor woningen en overige gebouwen kan zo snel bepaald worden of de gevel aan brandklasse B, C of D moet voldoen.
Het adviesblad bevat naast de stroomschema’s tevens een beknopte uitleg van de wetgeving rondom de relevante brandveiligheidsthema’s. Er wordt uitgelegd hoe je aan het Bbl/Bouwbesluit en aan de naderende Wet Kwaliteitsborging kunt voldoen.
BEWI IsoBouw heeft diverse constructies met SlimFort laten beoordelen door Efectis en hiervoor de Euro-brandclassificatie (End Use) B-s1, d0 behaald.
Lees meer over brandveilig isoleren in onze Kennisbank.
Een perfect geïsoleerde gevel in slechts 3 stappen
Met SlimFort gevelisolatie realiseer je eenvoudig en snel een uitstekend geïsoleerde en goed geventileerde gevel. In de SlimFort isolatieplaten zitten metalen beugels, die je gebruikt voor de bevestiging van de isolatieplaten en het stelwerk. Bovendien zorgt het ontwerp van de SlimFort isolatieplaten automatisch voor de noodzakelijke ventilatie van de constructie. Zo isoleer je in 3 simpele stappen:
| Stap 1: Isoleren | Stap2: Raamwerk | Stap3: Afwerking |
|
|
|
Voorbeeld aansluitingen
Om je te ondersteunen bij het aanbrengen van SlimFix gevelisolatie heeft BEWI IsoBouw diverse detailleringen uitgewerkt. Deze geven een indicatie hoe je bepaalde aansluitingen, zoals bij hoeken en kozijnen, handig oplost. Je vindt deze voorbeelden onder de menubalk 'Detailleringen'.
Tips voor de verwerking van SlimFort gevelisolatie
SlimFort gevelisolatie is zeer eenvoudig en snel te verwerken. Je loopt geen enkel risico op irritaties aan huid of ogen. Beschermingsmiddelen zoals handschoenen, masker of veiligheidsbril zijn dan ook overbodig. Ter ondersteuning ontvang je bij iedere levering een verwerkingsvoorschrift.
Onderstaande video geeft een beknopte weergave van de verwerkingsstappen bij de toepassing van SlimFort gevelisolatie.
Bevestiging
De bevestiging van de SlimFort isolatieplaten tegen de achterconstructie is afhankelijk van het rastermotief van het eerste houten regelwerk. Bij een regelafstand van 60 cm hoef je met een kozijnplug alleen de metalen beugels te bevestigen waarin later het eerste houten regelwerk geplaatst wordt.
| Horizontale plaatsing, regelafstand 60 cm: Bevestiging met 2 kozijnpluggen per plaat. | Verticale plaatsing, regelafstand 60 cm: Bevestiging met 2 kozijnpluggen per plaat. |
|
|
| Horizontale plaatsing, regelafstand 30 cm: Bevestiging met 4 kozijnpluggen per plaat. | Verticale plaatsing, regelafstand 30 cm: Bevestiging met 4 kozijnpluggen per plaat. |
|
|
Het rastermotief is afhankelijk van meerdere factoren, zoals het gewicht van de gevelbekleding, de maximale bouwhoogte en het windgebied. Met de SlimFort-rekentool kun je eenvoudig bepalen welk rastermotief je voor jouw project moet hanteren.
Detailleringsoplossingen

Klik op het door jou gewenste bestandsformaat en download de principedetails:
In het pdf staan alle principedetails grafisch weergegeven met het daarbij behorende detailnummer. Deze nummers komen overeen met de file-naam bij de desbetreffende bestandsformaten.
Detailleringsoplossingen WBDBO

Klik op het door jou gewenste bestandsformaat en download de principedetails:
50 woningen Heilaarpark Breda
“Doordat SlimFort zeer eenvoudig te monteren is kunnen we in een relatief korte periode een groot aantal m2 gevel isoleren. We lopen zelfs 2 weken voor op planning”.
Opdrachtgever: Van Wijnen Breda
Verwerker: VKP Kapelle
Producttoepassing: SlimFort 4.5
“Vanwege budgettaire redenen zochten wij voor dit project slimme oplossingen”, aldus VKP-projectleider Patrick Sonke.
“De keuze voor SlimFort is ontstaan vanwege de hoge doorloopsnelheid waarmee het systeem te monteren is. Door een goede voorbereiding hebben we een optimale integratie van het SlimFort-systeem in de gevel kunnen realiseren. Zo hebben we bijvoorbeeld vooraf goed nagedacht over praktische details, zoals slimme kozijndetailleringen”.
“SlimFort is zeer eenvoudig te monteren. In een relatief korte periode hebben we een groot aantal m2 gevel geïsoleerd. Op dit moment hebben we de eerste 15 woningen voorzien van het SlimFort-systeem. Door de eenvoudige montagemethode lopen we na al 2 weken voor op de planning!
“Een ander voordeel is dat we met de toepassing van SlimFort bij dit project kunnen kiezen voor een enkel verticaal regelwerk. Hierdoor besparen we enerzijds in arbeid en materiaal, maar kunnen we anderzijds ook een kwalitatief goede gevel afleveren”.
Na het aanbrengen van SlimFort wordt de gevels voorzien van rabatdelen.
Certificaten SlimFort gevelisolatie
De goede prestaties van de SlimFort gevelisolatie is vastgelegd in diverse certificaten voor onder andere duurzaamheid, milieuvriendelijkheid, isolatie-eigenschappen en kwaliteit. Klik op de logo’s van de certificaten voor meer informatie.
![]() |
![]() |
Classificatie SlimFort gevelisolatie
Klik op het betreffende logo voor de brandclassificatie:
![]() |
Rc- en materialenrekentool
Met deze rekentool kun je snel en eenvoudig de RC-waarde voor uw specifiek project berekenen. Daarnaast biedt de tool ook de mogelijkheid om een specificatie te geven van de benodigde materialen en de daarbij behorende volumes.
Klik op onderstaande button om rechtstreeks naar de Rekentool te gaan.
Retoursysteem Use4ReUse
BEWI IsoBouw biedt met het retoursysteem Use4ReUse de mogelijkheid om materiaalrestanten van de door ons geleverde producten weer retour te geven. Wil je hier gebruik van maken? Dan kan dat via inzamelzakken of bigbags. Deze zijn te bestellen bij onze afdeling Verkoop.
Lees ook deze handleiding over het retourhalen van reststukken.
Bestekteksten en CAD (2D-producttekeningen)
Je kunt de 2D producttekeningen downloaden in verschillen bestandsformaten:
Met behulp van onderstaande 2D/3D/BIM-Bestekservice kun je aan de hand van het volgen van keuzecriteria het gewenst producttype genereren. Je kunt vervolgens kiezen voor:
- De bestektekst (in stabu- en neutraal formaat).
- 2D/3D Autodesk AutoCAD (dwg).
- 3D ARKEY / Adomi met ASD (dhg).
- 2D/3D Drawing Exchange Format (dxf).
- 3D Autodesk Revit (system family).
- 3D Autodesk Revit (model family).
- 3D BIM IFC-formaat (ifc).
-
Assortiment-/prijsblad SlimFort
-
Brochure SlimFort
-
Leaflet SlimFort geteste systemen
-
Verwerkingsvoorschrift SlimFort
-
Adviesblad brandveiligheid geventileerde gevels
-
Adviesblad fischer bevestigingsmiddelen
-
Leaflet fischer SmartLight alu-profielen
-
Artikel over het feit waarom gewenste Rc-waarden vaak niet gehaald worden.
Pas op voor koudebruggen!



